Metallurgical Consultancy & Material Verification

Responsive Analysis, On-site Replication & Life-Assessment

We provide specialized metallurgical support across the Construction, Power Generation, and Industrial sectors. Our role is to generate the microstructural evidence and forensic data required for informed decision-making. By establishing material traceability or identifying degradation mechanisms, we provide the objective findings necessary for your team to verify the safety, compliance, and longevity of your critical infrastructure.

Metallurgical consultant conducting in-situ inspection for industrial asset integrity.

400 +

Projects

150 +

Outages

60 +

Years

Specialist Metallurgical Services

Advanced In-Situ Analysis & Metallurgical Consultancy

Our metallurgical diagnostics can help you achieve your operational goals, from reducing non-conforming products to extending asset lifecycles.

 

We provide on-site replication for critical life-assessment, navigating demanding site operations with the seamless coordination required to keep your project on track. Whether working autonomously or as part of your team, we deliver the high-resolution evidence needed for rapid, informed decision-making.

Experienced in assessing replicated microstructures, we adhere to standards such as VGB-S-517-00, our own rigorous procedures, or your preferred method. We deploy state-of-the-art microscopes to ensure the quality and efficiency of our replica assessments.

 

With UCI test probes, we access and test areas that are inaccessible to other probe types. Our commitment to superior surface preparation extends beyond basic requirements, enabling us to determine hardness with optimal accuracy.

We deliver definitive, evidence-based assessment of structural steel integrity following fire exposure. Our analysis determines the residual strength and microstructural resilience of the steel, providing the essential technical foundation for safe certification and remediation decisions.

 

We help you tackle manufacturing issues, assess in-service performance, or pinpoint the root cause of a failure. Our comprehensive analysis provides the understanding you need to optimise your process, repair, or redesign your component for enhanced durability

We can provide the metallurgical verification required to convert reclaimed structural steel into certifiable components. Our non-destructive assessment unequivocally establishes necessary material traceability and technical compliance, de-risking the circular economy for UK construction projects.

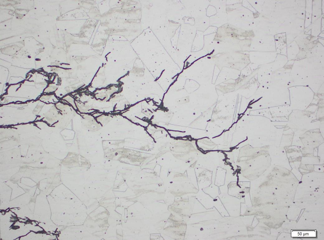
Metallurgical Expertise in Focus

These images represent the practical side of our metallurgical consultancy. They offer a look at the various material challenges we resolve for our clients; translating physical evidence into clear, actionable findings.

Technical Expertise & Background

Our Foundation

The name may be new, yet our founders bring a combined experience in excess of 60 years across microstructure replication, replica assessment, metallurgical analysis, and consultancy. We have successfully undertaken hundreds of projects for clients in diverse sectors, including power generation, petrochemicals, oil & gas, offshore, utilities, aerospace,  manufacturing, and the built environment, as well as the insurance sector.

Our Team

Our core team comprises four highly experienced metallurgical professionals, collectively ensuring that every project benefits from a cohesive and practical depth of understanding. Our two Metallurgists bring nearly three decades of high-level experience: one holds a BEng (Hons), PhD, and is a a Chartered Engineer (IMechE) with approximately 20 years of cross-sector service; the other, holding an MEng (Hons) degree and Member status with the IOM3, contributes 9 years specializing in steel production, laboratory work, and the inspection of power generation and petrochemical facilities

Complementing this, our two Metallurgical Technicians contribute over 37 years of essential practical experience. This includes one professional with more than 25 years in laboratory work, machine shops, mechanical testing, and replication; and another with 12 years focused on replication, alongside managing machine shop and mechanical testing facilities for metals and welds.

Our Mission

We understand the inherent complexities of planning projects within demanding industries, particularly when relying on external specialists. Our mission is to provide clients with consistently reliable microstructure replication and assessment, coupled with expert metallurgical advice presented in a clear and accessible manner. We achieve this through our experienced core team, complemented by a network of trusted subcontractors established through our extensive industry experience. Recognising precisely what constitutes a highly capable metallurgical contractor, we simplify your project by assembling and managing the entire team, delivering a complete and cohesive unit..

Technical Value & Informed Decision-Making

Microstructure replication offers a versatile non-destructive approach to evaluating material integrity. We apply this technique to detect, assess, and monitor damage and microstructural changes in critical components across sectors such as power generation, petrochemical industries, and structural steel frames following fire exposure. This method provides invaluable insights for component life assessment, aiding in the prioritisation of maintenance and repair to ensure both safe and cost-effective operations. While highly effective for identifying specific forms of damage such as fatigue, creep, or thermal degradation, its utility is primarily confined to surface or near-surface examination.

We apply our comprehensive metallurgical analysis to resolve your most pressing material challenges, particularly in failure investigation. A thorough failure analysis is a proactive investment designed to uncover the root cause of component or system failures. By meticulously investigating incidents, we provide actionable understanding to help prevent future recurrences. This enhances operational reliability and yields cost efficiencies through reduced downtime and improved asset availability. Our analytical approach offers critical guidance for optimising design, manufacturing processes, and material selection, while also deepening your operational understanding across the product lifecycle. This systematic process delivers lasting improvements and long-term economic benefit for your operations.

The Ultrasonic Contact Impedance (UCI) method we use is a highly versatile non-destructive technique. Its exceptional adaptability allows for precise measurements on large or small components, even in difficult-to-access areas. This method is particularly effective for assessing steel and steel welds, also serving as a valuable screening tool for identifying specific issues, such as mal heat treatment in Grade 91 steel, for example. Our instruments can convert measured values into common hardness scales (Vickers, Rockwell). These can often be transposed using standard tables to give estimated tensile strengths.

Following a fire incident, our advanced microstructural and hardness analysis provides the definitive, quantitative evidence required to establish the component's true material status. This eliminates reliance on subjective visual inspection, allowing clients to make critical, evidence-based decisions regarding asset disposition. The assessment ensures safety compliance while avoiding the unnecessary, costly replacement of structurally sound material, thereby minimising downtime and optimising asset recovery costs.

The transition toward structural steel reuse presents a unique technical requirement: converting an historical asset into a certifiable component. Our advanced Non-Destructive Testing (NDT) regime—utilizing the UCI method and Microstructural Replication Assessment—unequivocally establishes the fitness-for-purpose of reclaimed assets. This process provides certainty to all stakeholders, ensures compliance with protocols like SCI P427, mitigates inherent project risk, and verifies the significant embodied carbon savings promised by the reuse model.

Technical Enquiries

 

 

From structural steel reuse and on-site replication to failure investigations, we provide the metallurgical evidence required for informed decision-making. Please provide a brief overview of your requirements to arrange a technical consultation.

Your data will be stored and processed for the purpose of establishing contact. You can request that your data is deleted at any time.*

* Indicates required fields
Thank you! We will get back to you as soon as possible.

We need your consent to load the translations

We use a third-party service to translate the website content that may collect data about your activity. Please review the details in the privacy policy and accept the service to view the translations.