Material Assurance for Structural Steel Reuse
Verifying Material Compliance
The increasing necessity of structural steel reuse presents a significant material assurance challenge. This paradigm shift demands converting historical material into a certifiable component. Our metallurgical expertise is applied precisely at this critical juncture, ensuring the necessary material traceability and technical compliance can be established for UK construction projects

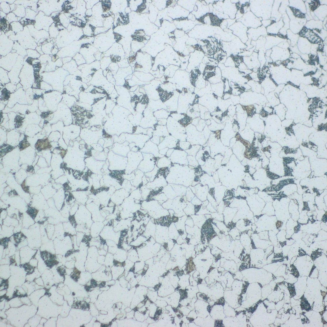
A microstructure of ferrite and pearlite that is typical for a structural steel grade that has been supplied in the normalized condition.
De-risking the Circular Economy and Verifying Embodied Carbon Reduction
Further to the industry’s critical commitment to reducing embodied carbon, the transition toward the structural steel reuse model presents a unique technical requirement: converting an historical asset into a certifiable, high-confidence component. Unlike newly milled materials, reclaimed sections demand rigorous re-assessment to satisfy regulatory and engineering certainty. Our metallurgical expertise is applied precisely at this critical juncture, ensuring that the necessary material traceability and technical compliance are unequivocally established for UK construction projects.
Material Verification
To overcome the logistical challenges of certifying large, reclaimed sections, we deploy highly accurate Non-Destructive Testing (NDT) regimes. Our sophisticated In-Situ Hardness Testing via the UCI method allows us to rapidly determine estimate tensile strength, providing auditable data with minimal site disruption. This is complemented by our Microstructural Replication Assessment capability, which furnishes a crucial defence against latent service damage—such as change caused by minor thermal events or fatigue—thereby providing the objective evidence necessary for compliance with protocols such as SCI P427 and the subsequent BS EN 1090 certification.

Equiaxed grains of ferrite with banded pearlite, a microstructure that is typical of rolled structural steel in the normalised condition.

A structural steel with a quenched microstructure that is indicative of mal-heat treatment
Consultancy for Design Certainty
Engaging our Metallurgical Consultancy and Analysis services offers project teams the expertise required to confidently integrate these verified materials into their final designs. By systematically validating the fitness-for-purpose of the reclaimed steel, we provide certainty to all stakeholders, from the client through to the structural engineer. This rigorous approach not only mitigates inherent risk and safeguards the structure's longevity, but also ensures that the significant embodied carbon savings promised by structural steel reuse are delivered with complete technical and regulatory assurance.
